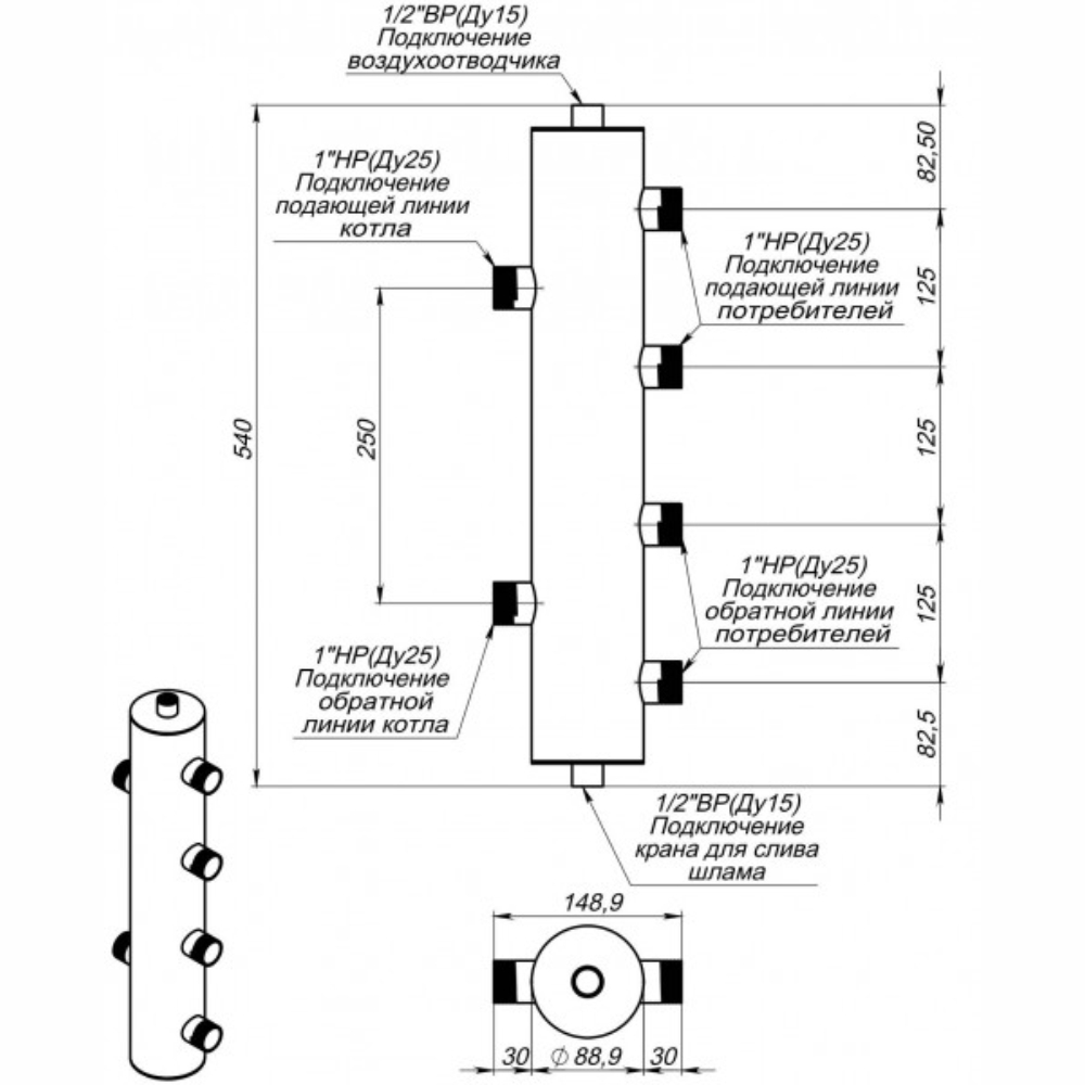
Гидрострелка GS 25-2 Proxytherm
Гидрострелка — это устройство, исключающее воздействие насосов потребителей тепла на котловые насосы, и наоборот.

Применение:
- Балансирует температурный режим системы отопления. Данное свойство способно защитить чугунные теплообменники котлов от теплового удара при резком охлаждении теплоносителем, поступающего из обратного контура.
- Гидродинамическая балансировка системы выравнивает давление при разных расходах на первичном контуре котла и суммарном расходе контуров-потребителей. Данное свойство полезно в случае много-контурных систем отопления (контур радиаторов, бойлер, теплый пол и прочее). Балансируя гидродинамические параметры, гидрострелка позволяет на 100% исключить взаимное влияние между контурами и обеспечить их бесперебойную работу на рассчитанных режимах.
- Выполняет функцию отстойника — очищает теплоноситель от механических примесей (ржавчины, шлама и прочее), что существенно продлевает срок службы подвижных частей системы отопления — насосов, запорной арматуры, датчиков и счетчиков.
- Выполняет функцию удаления из теплоносителя растворенного в нем воздуха. Это в значительной мере приостанавливает процессы окисления металлических частей системы отопления.
- Гидрострелка позволяет чётко организовать работу многокотельной установки. Это помогает конденсационным котлам выходить на максимальную мощность и обеспечивает им длительный срок эксплуатации.